Villa teknik
Vägval inför ditt nya hus
Nedan är en del saker att tänka på när det kommer till värme, vatten, sanitet och ventilation i ditt nya hus.
Vägghängd WC-stol
För vägghängd porslin kan man välja mellan att gömma hela fixturen i väggen, alternativt att man bygger in fixturen i en låda.




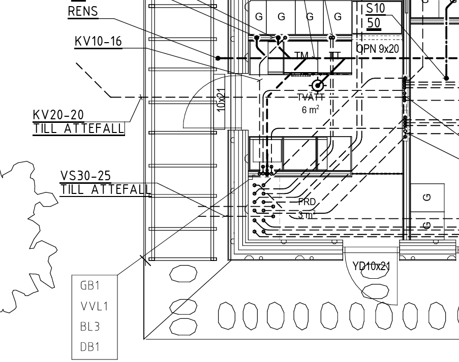
Placering av golvvärme och tappvattenskåp
Ofta placeras fördelarskåp i tvättstugan eller i ett annat rum med golvbrunn.
Om din värmekälla, t.ex. en värmepump är placerad långt ifrån tappvattenfördelaren så kan det ta en stund innan varmvatten kommer fram ur kranen. Då spolar man ut rent dricksvatten i onödan.
För att komma runt detta kan man installera varmvattencirkulation, detta medför en kostnad för att driva en pump, samt att man behöver ha separata skåp för tappkallvatten och tappvarmvatten för att inte kallvattnet ska värmas upp och bilda legionella. Ett annat alternativ är att placera en varmvattenberedare i nära anslutning till fördelarskåpet. Man kan då välja en värmepump utan integrerad varmvattenberedare.


Placering av ventilationsaggregat
Frånluftsvärmepump (FVP)
Ventilation i en villa är ofta relativt enkel, ofta installeras en FVP som återvinner värmen i luften inom huset, nackdelen är dock för att den skall fungera optimalt så behöver man ha ventiler i fönster, alternativt uteluftsventiler i vägg.
Vid kallt klimat kan du få okontrollerat kallras från ventiler och fönster och detta kan medföra obehag för vissa människor. För att ha så bra verkningsgrad som möjligt på en FVP så bör den kombineras med golvvärme. I vissa fall är FVP det bästa alternativet och ofta något billigare. Det finns även moduler som man kan koppla mot FVP för att få FTX.
Till- och frånluft med återvinning (FTX)
FTX är det mest behagliga systemet du kan ha i ditt hem, den enda nackdelen är att det kan uppstå ljud. Vissa människor är mer känsliga än andra. Detta går att projektera bort genom att man lägger till noggrant utvalda ljuddämpare och tilluftsdon, samt gör en ljudberäkning. Detta medför en extra kostnad och i de flesta fall så faller ljud relaterade åtgärder bort när du får in offerter från olika byggare eller ventilationsinstallatörer då detta ofta blir en stor del av den totala kostnaden för ventilation.
Med till- och frånluftsaggregat så återvinner du värmen i luften i ventilationsaggregatet samtidigt som du får in ny, frisk och torr luft i huset. Det går även att lägga till så att du kan få komfortkyla och på så vis sänka temperaturen på sommaren.
FTX aggregat placeras antingen på vägg eller på vinden eller annat utrymme. Kanalernas storlek kan ibland påverka konstruktionen och det är därför bra att koppla in projekteringen i tidigt skede i samråd med er arkitekt.
CASA R7-H ventilationsaggregat (Länk)
Installationsutrymme
Beroende på storlek på huset och hur många rum, badrum m.m som finns så kan det ibland behövas en stor yta för att få plats med alla installationer. Ofta behöver man plocka bort en hel garderob eller ett städskåp i tvättstugan och ibland så kan man få plats undertill.
Detta för att klara krav och regler gällande tätskikt och utrymmeskrav.
Golvvärme i bottenplan och radiatorer på plan 2?
Generellt så är en lägre framledningstemperatur på ditt värmesystem bättre för verkningsgraden för din värmepump. På en frånluftsvärmepump så kan SCOP (kallt klimat) uppgå till 5,02 vid 35 °C framledningstemperatur. Väljer man istället radiatorer som ofta har 55 °C i framledningstemperatur så får man en SCOP på 3,70. SCOP står för “Seasonal Coefficient Of Performance” och är ett genomsnittsvärde för värmefaktorn under ett helt år, så kallad årsvärmefaktor. Ett högt SCOP-värde innebär mindre energikostnader. Värmepumpar med höga SCOP-värden kostar vanligtvis lite mer än andra pumpar men de ger större energibesparingar och är bättre för miljön. På så vis är det bäst att alltid ha golvvärme på alla plan i alla ytor.